產品介紹
咨詢服務熱線:13957717877
產品概述
資料下載
相關產品


為何選擇GRT8-P 延時脈沖型時間繼電器? |
GRT8-P 延時脈沖型時間繼電器憑借其獨立可調的精準延時與脈寬、超寬的時間與 電壓適應范圍、便捷的操作特性以及緊湊可靠的設計,為工業自動化、樓宇控制、設 備保護等眾多領域提供了一種可靠、靈活且經濟的時序控制解決方案。它是實現精確 “延遲啟動-定時關閉”邏輯的實用關鍵元件。 |
GRT8-P 延時脈沖型時間繼電器產品優勢: |
1、控制精準靈活: 獨立調節延時與脈寬,滿足復雜時序需求。 |
2、應用范圍廣泛: 0.1秒至100天的超寬延時范圍,適用于多種工業與民用場景。 |
3、安裝調試便捷: 緊湊體積、卡軌安裝、狀態指示燈、外部復位功能,簡化安 裝、調試和維護工作。 |
4、適應性強: 超寬工作電壓范圍,兼容交直流系統。 |
5、高可靠性: 工業級設計,在嚴苛環境下穩定運行。 |
6、經濟高效: 單一器件實現“延時+定時”功能,減少外部元件,降低系統復雜度 和成本。 |
GRT8-P 延時脈沖型時間繼電器產品特點: |
1、獨立雙參數設定: 提供獨立的延時時間 (Td) 和 脈沖寬度 (Tw) 設定旋鈕/撥碼開關。用戶可根據具體 需求,靈活設定從觸發信號到繼電器動作的精準延時時間,以及動作后負載持續接通 的確切時長,控制自由度較高。 |
2、超寬延時范圍,覆蓋全場景: 提供寬范圍的 0.1秒至100天 延時設定能力,并細分為 10個清晰檔位。適用于需 要毫秒級響應的精密控制,或長達數月的周期性操作。 |
3、便捷外部復位: 通過短接專用的 S-A1 復位端子,可在任意時刻即時清除當前的延時計時狀態,使 繼電器迅速恢復到初始待命狀態,為需要緊急干預或重復測試的場合提供便利。 |
4、超寬工作電壓,兼容性強: 支持 AC/DC 12V 至 240V 的超寬范圍工作電壓規格可選。能適配全球主流的交流 或直流控制系統,無論是低壓控制回路還是市電直接驅動,均能穩定運行。 |
5、運行狀態直觀指示: 內置高亮度 LED 指示燈,清晰顯示繼電器當前的工作狀態(如電源、計時中、輸出 動作),便于現場人員快速診斷和監控設備運行情況。 |
6、緊湊型設計,節省空間: 采用超薄設計,寬度僅為 18mm,支持標準的 35mm 卡軌安裝 (DIN Rail)。有效 節省控制柜內寶貴空間,適合高密度安裝的緊湊型控制箱。 |
GRT8-P 延時脈沖型時間繼電器產品應用: |
GRT8-P 的核心應用在于需要“延遲啟動 + 定時關閉”的脈沖控制邏輯,廣泛應用 于各類自動化控制與設備管理場景: |
1、設備順序啟動/停止控制: 在大型設備或生產線中,電機、泵、風機等負載按預設順序依次延時啟動,并 在運行特定時間后自動停止,防止同時啟動造成的沖擊。 |
2、節能照明與通風系統: 用于樓梯間、走廊、倉庫等區域的照明或排風扇控制,實現“人來燈亮/風啟,人走 延時 X 秒/分鐘后自動關閉”,有助于節能。 |
3、設備保護與維護周期: 為設備(如電機、加熱器)提供啟動前的必要延時(如潤滑時間),或控制其每次 運行的工作時長(如防止過載),或設定定期維護提醒(如每運行100天提示保養)。 |
4、脈沖觸發與信號發生器: 在自動化流程中,產生精確的脈沖信號用于觸發后續動作,如控制電磁閥短暫開啟 、啟動單次測量、復位計數器等。 |
5、安全與報警系統: 用于延遲啟動報警器、警示燈或安全設備,或在特定條件滿足后僅發出有限時長的 報警/解除信號。 |

GRT8-P 延時脈沖型時間繼電器型號說明: |
|
GRT8-P 延時脈沖型時間繼電器技術參數: |
型號 | GRT8-P1 | GRT8-P2 | |
功能 | 延時脈沖輸出 | ||
電源端子 | A1-A2 | ||
額定控制電源電壓 | W 2 4 0
| AC/DC 12-240V 50Hz | |
消耗功率 | AC 0.7-3VA/DC 0.5-1.7W | ||
額定控制電源電壓 |
A 2 2 0 | AC 220V 50Hz | |
消耗功率 | AC max.6VA/1.3W | AC max.6VA/1.9W | |
電源允許波動范圍 | -15%;+10% | ||
額定沖擊耐受電壓 | 2.5kV | ||
額定絕緣電壓 | 250V | ||
電源指示燈 | 綠色LED | ||
延時范圍 | 0.1秒-100天 | ||
設定方式 | 旋鈕 | ||
設定精度 | 10% | ||
重復精度 | 0.2% | ||
溫度波動誤差 | 0.05%/℃,at=20℃(0.05%°F,at=68F) | ||
| 輸出觸點參數 | 1組轉換觸點 | 2組轉換觸點 | |
| |||
小切換功率 | 500mW | ||
輸出繼電器指示 | 紅色LED | ||
機械壽命 | 1×10? | ||
電壽命(阻性負載) | 1×10? | ||
復位時間 | 200ms | ||
工作環境溫度 | -20℃~+55℃ | ||
存儲和運輸環境溫度 | -35℃~+75℃ | ||
安裝方式 | 35mm卡軌安裝 | ||
防護等級 | IP20 | ||
安裝位置 | 任意 | ||
安裝海拔高度 | ≤2000米 | ||
污染等級 | 2 | ||
接線能力 | 1×2.5mm2或2×1.5mm20.4N ·m | ||
外形尺寸 | 90mm×18mm×64mm | ||
重量 | W240-62g,A220-61g | W240-82g,A220-82g | |
符合標準 | GB/T14048.5,IEC60947-5-1,EN 61812-1 | ||

GRT8-P 延時脈沖型時間繼電器產品面板: |
|
GRT8-P 延時脈沖型時間繼電器時間設定方法: |
| 延時檔位設定,s表示秒,m表示分,h表示小時,d表示天。 |
| 延時時間細調,10%~100%可調。 |
例1: 需要設定通電后延時10秒,然后繼電器動作2秒后斷開。 設定方法: 將旋鈕1設為10s,旋鈕2設為100%,延時時間t1=10s×100%=10s。 將旋鈕3設為10s,旋鈕4設為20%,延時時間t2=10s×20%=2s。 例2: 需要設定通電后延時5分鐘,然后繼電器動作30分鐘后斷開。 設定方法: 將旋鈕1設為10m,旋鈕2設為50%,延時時間t1=10m×50%=5m。 將旋鈕3設為1h,旋鈕4設為50%,延時時間t2=1h×50%=0.5h。 | |

GRT8-P 延時脈沖型時間繼電器時間產品功能: | |
|
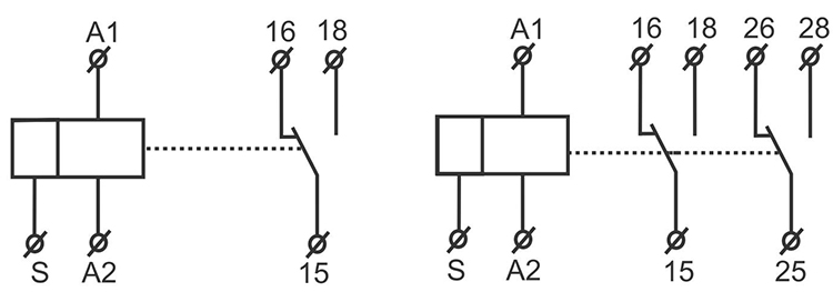
當繼電器(A1-A2)得電時,開始延時, 延時t1到后,繼電器動作(15-18接通),
并開始t2延時,延時到后繼電器斷開 (15-18斷開),S為復位端子,將A1-S接 通,可復位繼電器,斷開A1-S,繼電器 開始重新延時。 |
GRT8-P 延時脈沖型時間繼電器時間產品尺寸: | |
| |
GRT8-P 延時脈沖型時間繼電器時間產品接線: | |
| |
優惠券
我們的微信
13957717877
13957796089