產品介紹
咨詢服務熱線:13957717877
產品概述
資料下載
相關產品
相關資訊


為什么選擇GSR1-3 AA型三相固態繼電器? |
在需要高效、可靠控制三相設備(如電機、加熱器、變壓器)的場合,GSR1-3- AA憑借其無觸點、長壽命、高抗干擾性和優異的開關特性,成為替代傳統電磁繼電器 的理想解決方案。其三相一體式設計簡化了安裝布線,提升了系統集成度。 |
GSR1-3 AA型三相固態繼電器產品優勢: |
1、高可靠性長壽命: 無機械磨損部件,免除電火花困擾。 |
2、電氣性能: 開關速度快,射頻干擾低,工作安靜穩定。 |
3、強韌環境適應性: 結構緊湊,抗震、防潮、耐腐蝕,適用苛刻工業環境。 |
4、安全隔離: 輸入輸出光電隔離,絕緣強度高(2500V),保障控制側安全。 |
5、驅動簡易: 寬輸入電壓范圍,低控制電流(≤10mA),易于與各類控制電路接 口。 |
GSR1-3 AA型三相固態繼電器產品特點: |
1、寬輸入低驅動: - 具備寬廣的輸入電壓范圍,僅需≤10mA的微小控制電流即可動作,減輕驅動 電路負擔,提升系統能效。 |
2、全固態無觸點: - 內部無任何可動機械部件,從根本上消除了電弧、火花和機械磨損,保障了超長的 使用壽命與運行可靠性。 |
3、高速靜默切換: - 采用零電壓開啟(導通時電壓過零點)和零電流關斷技術,切換過程快速平滑,有 效抑制電磁射頻干擾(EMI/RFI),周邊電子設備穩定運行。 |
4、內置浪涌防護: - 集成阻容(RC)吸收回路,為產品提供關鍵保護,有效抑制負載啟動或切換時產生 的瞬態過電壓和浪涌電流沖擊,提升系統耐用性。 |
5、安全光電隔離: - 輸入控制端與輸出負載端之間通過光電耦合器實現電氣隔離,絕緣耐壓高達2500V ,有效防止高壓竄擾,保障操作人員及低壓控制電路安全。 |
6、緊湊堅固封裝: - 采用小巧體積設計,內部填充高性能環氧樹脂,賦予產品優異的防震、防潮、防腐 蝕及防塵能力,適應復雜多變的工業現場環境。 |
GSR1-3 AA型三相固態繼電器產品應用: |
GSR1-3 AA型三相固態繼電器憑借其可靠的三相負載控制能力和特性,廣泛應 用于: |
1、工業自動化與動力控制: - 三相電機啟停、正反轉控制,工控設備電源切換,變壓器調壓,數控機床動力模塊 |
2、電加熱與溫度管理: - 三相電爐、烤箱、烘箱、熔煉設備的精準溫度調節與功率控制。 |
3、電力調整與照明系統: - 大功率三相調壓、穩壓裝置,大型建筑、場館、交通信號燈及舞臺燈光系統的智能 配電與控制。 |
4、基礎設施與機械設備: - 泵類、風機、壓縮機等動力設備控制,橡塑機械、包裝機械、自動消防系統執行部 件驅動。 |
5、儀器儀表與特種環境: - 醫療設備、分析儀器、辦公自動化設備中要求無火花、低噪聲、高可靠的功率開關 環節,以及存在粉塵、潮濕、腐蝕性氣體的工作環境。 |

GSR1-3 AA型三相固態繼電器型號說明: |
|
備注: |
散熱:1:不帶散熱;2:帶散熱 |
相數:1:單相; 2:二相;3:三相 |
額定輸出電流:10A/25A/40A/60A/80A/100A/120A/200A |
控制類型:DA:直流控制交流; AA:交流控制交流; DD:直流控制直流 |
過零型的控制電壓為恒流型:3-32VDC(觸發電流≥5mA) |
隨機型的控制電壓為串電阻型:4-8VDC(觸發電流>10mA) |
GSR1-3 AA型三相固態繼電器技術參數: |
輸入參數 | ||||||||
控制電壓范圍 | 70-280VAC | |||||||
小控制電流 | 5mA | |||||||
控制電流 | 10mA | |||||||
接通電壓 | 90VAC | |||||||
關斷電壓 | 50VAC | |||||||
輸出參數 | ||||||||
輸出電壓范圍 | 24-480VAC | |||||||
規格/ 負載電流 | 10A | 25A | 40A | 60A | 80A | 100A | 120A | 200A |
| 峰值電壓 | 800 VAC | 800 VAC | 800 VAC | 200 VAC | 1200 VAC | 1200 VAC | 1200 VAC | 1200 VAC |
絕緣電阻 | 1000MΩ/500VDC | |||||||
OFF狀態 下漏電流 | ≤8mA rms | ≤8mA rms | ≤8mA rms | ≤2mA rms | ≤2mA rms | ≤2mA rms | ≤2mA rms | ≤2mA rms |
On狀態下 飽和壓降 | ≤1.5V | |||||||
通斷反應延時 | ≤10ms | |||||||
一般特性 | ||||||||
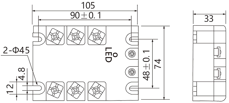
尺寸 | 105L×74W×33H | |||||||
重量 | 500g | |||||||
輸入輸出 間絕緣耐壓 | 2500V rms | |||||||
輸入輸出與外 殼間絕緣耐壓 | 4000V rms | |||||||
環境溫度 | -20°~75℃ | |||||||
安裝方式 | 螺栓固定 | |||||||
相關認證 | CE | |||||||

GSR1-3 AA型三相固態繼電器產品接線: |
|
GSR1-3 AA型三相固態繼電器產品尺寸: |
|
下一個:GOS25C系列旋轉編碼器
優惠券
我們的微信
13957717877
13957796089