產品介紹
咨詢服務熱線:13957717877
產品概述
資料下載
相關產品
相關資訊


為什么選擇GRIS8系列隔離繼電器? |
GRIS8系列隔離繼電器通過提供穩定的電氣隔離,可防止干擾與電勢差引起的系統故 障,適用于需要高可靠性連接的自動化與安全控制系統。其設計兼顧性能與安裝便利性, 能夠幫助用戶實現安全、穩定的多電路集成與控制。 |
GRIS8系列隔離繼電器產品優勢: |
1、三重電氣隔離:在電源、輸入開關與繼電器輸出之間實現可靠隔離,提升系統抗干擾 能力。 |
2、良好的散熱設計:內部采用冗余散熱空間結構,有助于維持設備長時間穩定工作。 |
3、多電路兼容:支持不同類型電路之間的隔離與控制,增強系統集成的靈活性。 |
4、一拖多控制能力:單一繼電器輸出可實現多個負載的集中控制,節省安裝空間與配置 成本。 |
5、導軌安裝:支持標準導軌安裝,便于施工與維護。 |
GRIS8系列隔離繼電器產品特點: |
1、高絕緣耐壓性能:采用絕緣材料與結構設計,輸入、輸出及電源間具備良好 的電氣隔離強度,有效抑制電勢差與干擾傳導。 |
2、寬電壓適應范圍:支持常見的直流與交流控制電壓輸入,兼容性強,可適應多種工業 現場信號標準。 |
3、長電氣壽命與高可靠性:繼電器觸點采用耐磨材料,在額定負載下具備優異的電氣耐 久性,適合頻繁開關場合。 |
4、清晰的狀態指示:產品通常配備LED指示燈,可直觀顯示工作狀態,便于現場調試與 運維檢查。 |
5、緊湊型模塊化設計:在有限空間內實現高密度安裝,適合對柜內空間有要求的集成化 項目。 |
6、符合多項行業標準:產品設計與測試遵循相關電氣安全與工業環境標準,在嚴苛 環境下穩定工作。 |
7、靈活的接線方式:采用通用螺絲端子或插拔式端子,接線牢固,安裝維護簡便。 |
GRIS8系列隔離繼電器產品應用: |
1、消防安全系統與暖通空調(HVAC)系統的聯動接口 |
2、電梯控制與門禁系統的信號隔離與轉換 |
3、工業自動化中PLC系統的擴展隔離與控制 |
4、其他需要電路隔離與多負載控制的低壓電氣場合 |

GRIS8系列隔離繼電器型號說明: | ||
GRIS8 | ? | ? |
| GRIS8系列 | 輸出觸點數量 | 額定控制電源電壓 |
01: 1×SPDT 02: 2×SPDT 04: 4×SPDT 08: 8×SPDT | A265:AC85V-265V | |
GRIS8系列隔離繼電器技術參數: | ||
型號 | GRIS8-01 | GRIS8-02 | GRIS8-04 | GRIS8-08 |
功能 | 接口/控制繼電器 | |||
電源端子 | A1-A2 | |||
電壓范圍 | AC85-265V 45-65Hz | |||
功耗 | 2.5VA | 3VA | 3.8VA | 5.6VA |
電源指示 | Green LED | |||
隔離電壓 | ||||
電源輸入至 輸入開關 | 4kVAC | |||
電源輸入至 繼電器輸出 | 4kVAC | |||
輸入開關至 繼電器輸出 | 4kVAC | 2.5kVAC | ||
輸出 | 1×SPDT | 2×SPDT | 4×SPDT | 8×SPDT |
額定電流 | 10A/AC1 | |||
開關電壓 | 250VAC/24VDC | |||
直流Min 分斷能力 | 500mW | |||
輸出指示 | Red LED | |||
機械壽命 | 1×10? | |||
電氣壽命 (AC1) | 1×10? | |||
工作溫度 | -20℃~+55℃ | |||
存儲溫度 | -35℃~+75℃ | |||
過電壓類別 | 95%相對濕度(不凝露) | |||
安裝方式 /導軌安裝 | 符合EN/IEC60715標準的導軌安裝 | |||
防護等級 | IP20 | |||
工作位置 | any | |||
濕度 | ⅢI. | |||
污染等級 | 2 | |||
導線截面積 (mm2) | 1×2.5mm2或2×1.5mm20.4Nm | |||
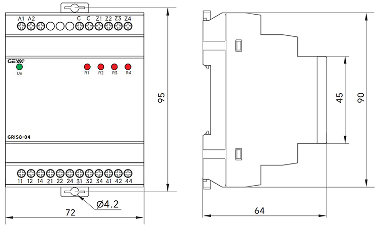
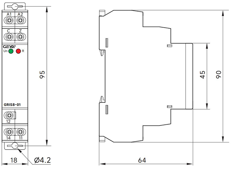
外形尺寸 | 90×18×64mm | 90×36×64mm | 90×72×64mm | 90×102×6mm |
重量 | 62g | 120g | 170g | 250g |
符合標準 | IEC60947-5-1 | |||

GRIS8系列隔離繼電器產品接線: | |
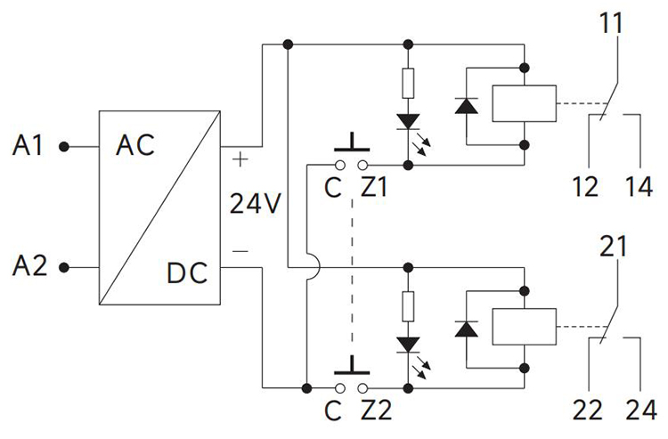
GRIS8-01接線: | |
| |
GRIS8-02接線: | |
| |
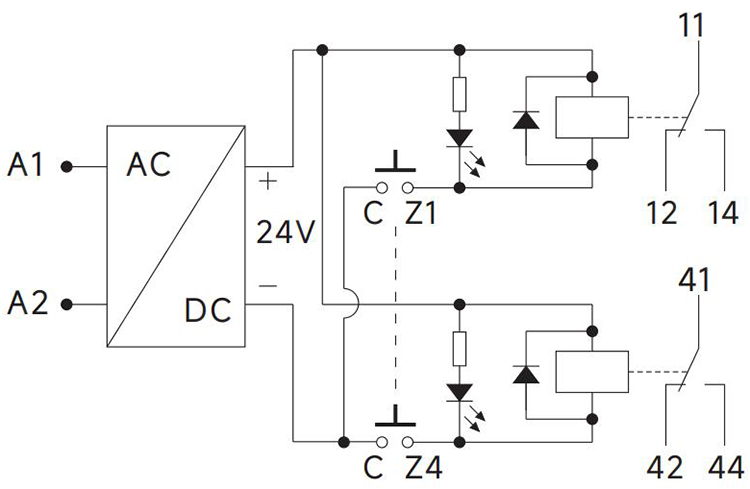
GRIS8-04接線: | |
| |
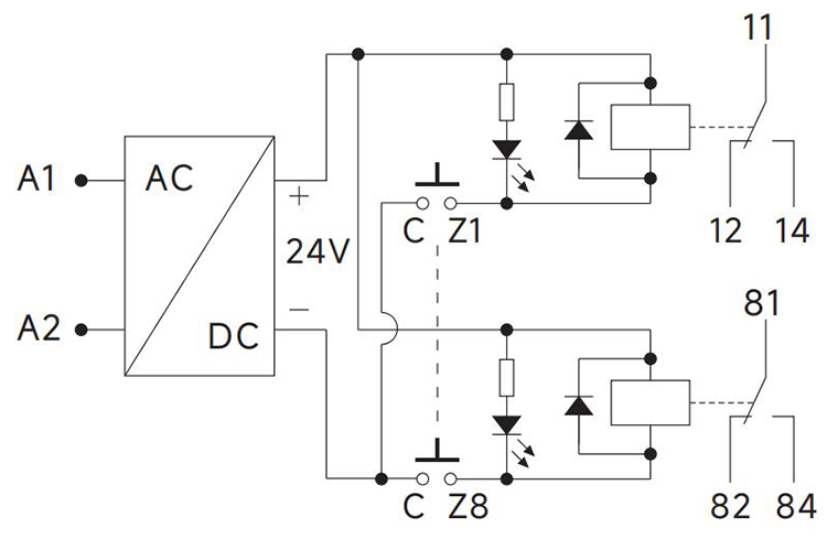
GRIS8-08接線: | |
| |
GRIS8系列隔離繼電器產品尺寸: | |
GRIS8-01尺寸: |
|
| |
GRIS8-02尺寸: | |
| |
GRIS8-04尺寸: |
|
| |
GRIS8-08尺寸: | |
| |
下一個:GRP8型PTC馬達保護繼電器
優惠券
我們的微信
13957717877
13957796089