產品介紹
咨詢服務熱線:13957717877
產品概述
資料下載
相關產品
相關資訊


為何選擇GRV8-UV系列低壓繼電器? |
GRV8-UV系列以高精度測量、快速響應和緊湊設計為核心優勢,為電壓敏感的工業 設備構建了一道動態防護屏障。其可靠的欠壓保護功能可降低設備故障率,減少維 護成本,是提升電力系統安全性與能效管理的理想解決方案。 |
?適用行業?:制造業、數據中心、商業綜合體、醫療設施等對電力穩定性要求嚴苛的領 域。 |
GRV8-UV系列低壓繼電器產品特點: |
1、?高精度電壓監測? 采用?真有效值(TRMS)測量技術?,能夠精準測量電源電壓的實時有效值,即使面對 非線性負載或畸變波形,仍可測量精度?<1%?,為系統提供可靠的電壓數據支持。 |
2、?寬頻適應性? 支持?45Hz-65Hz?的寬頻率范圍,兼容全球主流電力系統標準,適用于不同地區的電 網環境,適應性強。 |
3、?智能自控與狀態指示? - ?電源控制?:實時監測并控制自身供電電壓,快速響應電壓異常。 - ?LED狀態顯示?:通過直觀的LED指示燈(綠色/紅色)清晰反饋繼電器工作狀態(正 常/欠壓),便于設備維護與故障排查。 |
4、?緊湊型設計? 采用?超薄機身設計?,寬度僅?18mm?,支持?35mm標準卡軌安裝?,大幅節省控制柜空間, 尤其適合安裝密度高的場合。 |
GRV8-UV系列低壓繼電器產品應用: |
GRV8-UV系列低壓繼電器專為?高波動性感性負載?設計,主要應用于: |
1、?工業和商業空調系統?:保護壓縮機、風機等核心設備免受電網電壓驟降或欠壓沖 擊,延長設備壽命。 |
2、?配電系統保護?:在電壓異常時快速切斷電源,防止敏感儀器或生產設備因欠壓導致 停機或損壞。 |
3、?能源管理場景?:集成于智能配電網絡,實現電壓參數的遠程監控與能效優化。 |

GRV8-UV系列低壓繼電器型號說明: |

GRV8-UV系列低壓繼電器技術參數: |
| 型號 | 1UV | 4UV |
| 功能 | 欠電壓 | |
| 監控終端 | L-N | L1-L2-L3-N |
| 供電端子 | L-N | L1-N |
| 額定電源電壓(Un) | 220V/230V/240V | |
| 額定電源頻率 | 45Hz-65Hz | |
| 欠壓閾值 | R:fixed 75% of Un; S:70%-95%of Un | |
| 行程延遲時間(Tu) | 0.1s | |
| 磁滯 | 5V | |
| 測量誤差 | ≤1% | |
| 通電延遲時間(Td) | 可調:5分鐘-15分鐘 | |
| 恢復延遲時間(Tr) | 可調:5分鐘-15分鐘 | |
| 旋鈕設置精度 | 標度值的10% | |
| 電源指示 | 綠色LED燈 | |
| 輸出指示 | 紅色LED燈 | |
| 輸出 | 1×SPDT | |
| 額定電流 | 10A/AC1 | |
| 開關電壓 | 250VAC/24VDC | |
| 機械壽命 | 1×10? | |
| 電氣壽命(AC1) | 1×10? | |
| 工作溫度 | -20℃ to +55℃(-4℉ to 131℉) | |
| 儲存溫度 | -35℃ to +75℃(-22℉ to 158℉) | |
| 安裝/DIN導軌 | 導軌EN/IIEC60715 | |
| 防護等級 | 前面板IP40/IP20端子 | |
| 操作位置 | any | |
| 過電壓類別 | Ⅲ. | |
| 污染程度 | 2 | |
| 電纜尺寸(mm2) | 實心線1×2.5或2×1.5/帶套筒1×2.5mg(AWG12) | |
| 擰緊力矩 | 0.8Nm | |
| 尺寸 | 90×18×64mm | |
| 重量 | 63g,65g | |
| 標準 | EN60255-1,IEC60947-5-1 | |

GRV8-UV系列低壓繼電器產品面板: |


GRV8-UV系列低壓繼電器產品尺寸: |

GRV8-UV系列低壓繼電器產品功能: |

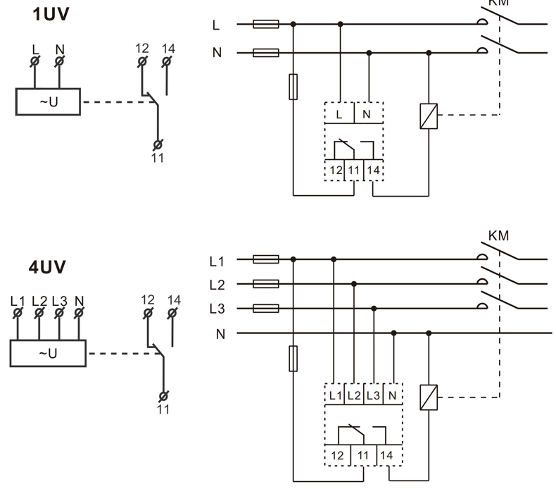
GRV8-UV系列低壓繼電器產品接線: |

上一個:GYH高壓一體機儲能柜
優惠券
我們的微信
13957717877
13957796089