產品介紹
咨詢服務熱線:13957717877
產品概述
資料下載
相關產品
相關資訊


為何選擇GRT6-ST星三角啟動型時間繼電器? |
通過精準的啟動延時和可靠的切換時序,有效將電機啟動電流限制在額定電流的1/3, 降低對電網的沖擊,延長接觸器、斷路器等相關電氣元件的使用壽命。其模塊化設計 可直接替代傳統機械式時間繼電器,無需更改控制線路即可實現智能化升級。 |
適配場景: 特別適用于機床制造、水處理系統、暖通空調(HVAC)、物料輸送等領域的電氣控制 柜改造項目,是工業4.0時代電機控制系統的優選時序管理解決方案。 |
GRT6-ST星三角啟動型時間繼電器產品特點: |
1、雙時段精準控制 ? 啟動延時(t1)支持0.1秒至10分鐘寬域調節,通過高精度旋鈕實現±2%設定精度 ? 星三角轉換時間(t2)0.1-1秒獨立可調,繞組切換的時序準確性 ? 雙旋鈕獨立調節設計,參數設定直觀便捷 |
2、的電氣性能 ? 兼容AC/DC 24V-240V超寬電壓輸入,適配主流工控系統電壓標準 ? 強化觸點結構,可承載交流接觸器線圈的瞬態沖擊電流 ? 內置電壓波動補償電路,保證計時精度不受電網波動影響 |
3、智能化狀態指示 ? 雙色LED指示燈組實時顯示:電源狀態/啟動計時/運行階段 ? 故障診斷指示功能,自動識別線路異常并觸發狀態告警 |
4、緊湊型工業設計 ? 超薄18mm寬度結構,較傳統產品節省40%安裝空間 ? 符合DIN 35mm標準導軌安裝規范,支持密集排布 ? 全封閉阻燃外殼,防護等級達IP40,適應復雜工業環境 |
GRT6-ST星三角啟動型時間繼電器產品應用: |
本產品專為三相異步電動機的星三角降壓啟動系統優化設計,主要應用于: |
? 大功率電機(7.5kW-160kW)的軟啟動控制 |
? 水泵、風機、壓縮機等重載設備的啟動保護 |
? 自動化生產線中的時序控制系統 |
? 電力拖動系統的二次控制回路 |

GRT6-ST星三角啟動型時間繼電器型號說明: |

GRT6-ST星三角啟動型時間繼電器技術參數: |
型號 | GRT6-ST | |
功能 | 星三角啟動延時 | |
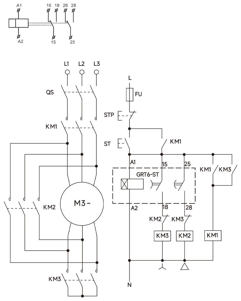
電源端子 | A1-A2 | |
額定控制電源電壓 | S240 | AC/DC 24-240V 50Hz |
消耗功率 | AC 0.3-2VA/DC 0.1-1.2W | |
額定控制電源電壓 | A220 | AC 220V/AC380V 50Hz |
消耗功率 | AC max.6VA/1.3W | |
額定沖擊耐受電壓 | 2.5kV | |
額定絕緣電壓 | 250V | |
電源允許波動范圍 | -15%;+10% | |
電源指示燈 | 綠色LED | |
延時范圍 | 啟動延時:0.1秒-10分,轉換延時:0.1s-1s | |
設定方式 | 旋鈕 | |
設定精度 | 10% | |
重復精度 | 0.2% | |
溫度波動誤差 | 0.05%/℃ | |
輸出繼電器組數 | 2組轉換觸點 | |
輸出繼電器參數 |
| |
小切換功率 | 500mW | |
輸出繼電器指示 | 紅色LED | |
機械壽命 | 1×107 | |
電壽命(阻性負載) | 1×10? | |
復位時間 | 200ms | |
工作環境溫度 | -20℃~+55℃ | |
存儲和運輸環境溫度 | -35℃~+75℃ | |
安裝方式 | 35mm卡軌安裝 | |
防護等級 | IP20 | |
安裝位置 | 任意 | |
安裝海拔高度 | ≤2000米 | |
污染等級 | 2 | |
接線能力 | 1×2.5mm2或2×1.5mm20.4N ·m | |
外形尺寸 | 90mm×18mm×64mm | |
重量 | S240-66g,A230-69g | |
符合標準 | GB/T14048.5,IEC60947-5-1,EN 61812-1 | |

GRT6-ST星三角啟動型時間繼電器產品面板: |

時間設定方法: | |
![]() | 旋鈕1:延時檔位設定, s表示秒, m表示分。 |
![]() | 旋鈕2:延時時間細調,10%~100%可調。 |
延時時間=旋鈕1×旋鈕2。 例1:需要設定5秒,可將旋鈕1設為10s,旋鈕2設為50%,延時時間=10s×50%=5s。 例2:需要設定8分,可將旋鈕1設為10m,旋鈕2設為80%,延時時間=10m×80%=8 m。 | |
GRT6-ST星三角啟動型時間繼電器產品尺寸: |


GRT6-ST星三角啟動型時間繼電器產品功能: |

當繼電器Us得電,繼電器輸出觸點15-18閉合,并開始延時t1,延時t1后輸出觸點15-18 斷開,再延時t2后輸出觸點25-28閉合。 |
GRT6-ST星三角啟動型時間繼電器產品接線: |

上一個:GYF戶外移動儲能
下一個:GYH高壓一體機儲能柜
優惠券
我們的微信
13957717877
13957796089