

GSP9-DP40浪涌保護器產品特點:
1.放電容量大,響應快,可插拔。
2.響應時間快,導軌安裝噪音大。
3.雙熱斷開裝置,提供更可靠的保護。
4.綠色窗口表示正常,紅色表示有缺陷,需要更換模塊。
5.遠程報警終端可選。
6.電壓可定制。
GSP9-DP40浪涌保護器功能及應用:
該交流浪涌保護裝置適用于低壓標準lEC/EN 61643-11,用于保護交流電力線系統和其他設備免受過電壓
和瞬間過電壓損壞。它具有放電電流大、響應時間快、殘余電壓低的優點。

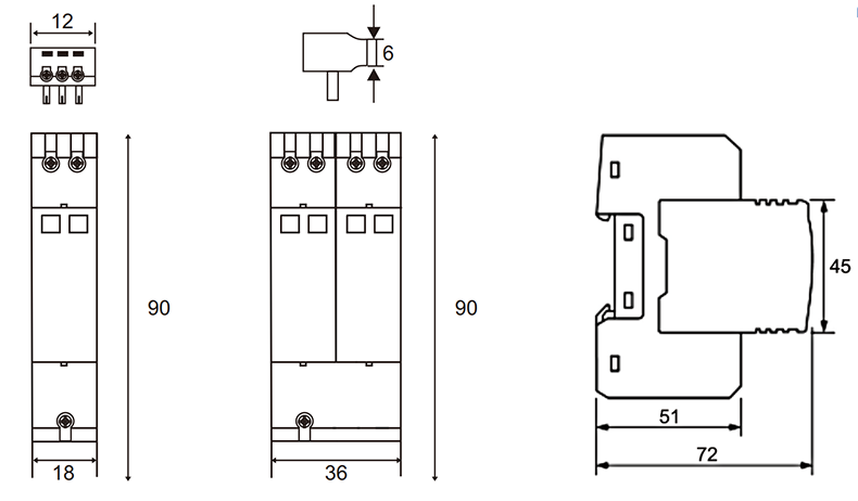
GSP9-DP40浪涌保護器產品尺寸:

GSP9-DP40浪涌保護器技術參數:
型號
| GPS9-DP40 |
| 試驗標準 | IEC 61643-11;GB 18802.11 |
| SPD類型 | T2/Ⅱ級 |
| 持續工作電壓 | 275V AC |
| 標稱放電電流(8/20μs) | 20kA |
| 放電電流(8/20μs) | 40kA |
| 電壓保護水平 | ≤1.5kV |
| 響應時間 | 25納秒 |
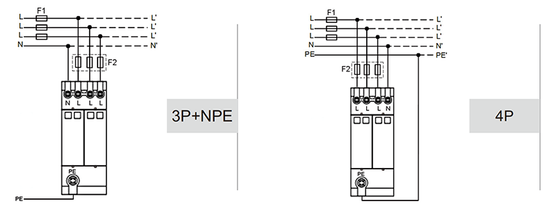
| 規格 | 2P,4P,1P+N-PE,3P+N-PE |
| 匹配保險絲或斷路器 | 32A |
| 連接線規格 | 4mm~2(L/N);6mm~2(PE) |
| 安裝 | 35mm Din導軌 |
| 遠程信號觸點類型(可選) | C+NC:常閉 |
| C+NC:常開 |
| C: 常用觸點 |
| 交換容量 | AC:250V/0.5A DC:250V/0.1A,125V/0.2A,75V/0.5A |
| 遠程信號觸點的橫截面積 | 1.5m^2固體/柔性 |
| 工作溫度范圍 | -40℃至+85℃ |
| 外殼材料 | UL94-VO防火材料 |
GSP9-DP40浪涌保護器接線圖:
