產品介紹
咨詢服務熱線:13957717877
產品概述
資料下載
相關產品
相關資訊


FY-T73系列繼電器模塊產品特點: |
1、1組獨立繼電器模塊。 |
2、內置MPA型電磁繼電器,負載容量10A250VAC(RES.),10A30VDC(RES.)。 |
3、輸入方式:端子排輸入,NPN與PNP通用,AC與DC通用;0輸出形式:1常開、1常閉。 |
4、具有每組獨立 LED工作狀態指示燈和浪涌抑制保護回路。 |
5、輸出端有過壓保護。 |
6、底部TS15/28/35導軌安裝。 |
FY-T73系列繼電器模塊應用場合: |
用于PLC輸出負載電流放大與隔離保護作用,安裝在 PLC、單片機工控板、時間繼電器、按鈕
等控制器的數字量輸出端,放大輸出端的控制電流,用于負載大功率設備、弱電控制強電等場合, 來保護核心的控制系統不被損壞。 |

FY-T73系列繼電器模塊產品參數:


FY-T73系列繼電器模塊產品尺寸:

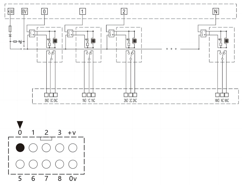
FY-T73系列繼電器模塊接線圖:


FY-T73系列繼電器模塊適配器參數表:

優惠券
我們的微信
13957717877
13957796089