產品介紹
咨詢服務熱線:13957717877
產品概述
資料下載
相關產品
相關資訊


GYPV/6-1型光伏直流匯流箱箱體產品概述:
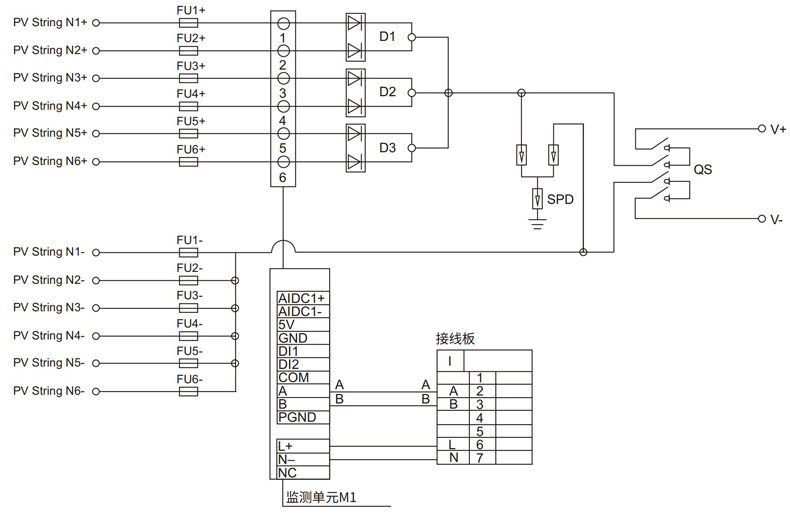
GYPW/6-1光伏匯流箱將6個光伏組件的直流輸入合成為一個輸出。每個通道都配有熔
斷器,輸出端配備浪涌保護器和斷路器,大大簡化了直流電源配電柜和逆變器的輸入布線,
實現了防雷保護、短路保護和接地保護。
光伏匯流箱分為兩種類型:智能型和非智能型。智能光伏匯流箱配備監控單元,可以檢測每
串列的輸入電流、內部溫度、防雷狀態、斷路器狀態并總結輸出電壓等信息。設計和配置嚴格按
照《光伏接線裝置技術規范》CGC/GF 037:2014執行。為用戶提供安全、簡潔、美觀、適用的光
伏系統產品。
GYPW/6-1光伏匯流箱采用戶外壁掛式設計,可適用于惡劣環境。除了核心組件外,其他部
分均可根據用戶需求進行定制。
GYPV/6-1型光伏直流匯流箱箱體產品特點:
1、高可靠性:
帶直流保險絲。
直流浪涌保護裝置。
直流斷路器或直流負載隔離開關。
2、適應性強:
IP65設計,防水、防塵、防紫外線。嚴格的高溫和低溫測試,應用廣泛。安裝簡單,系
統接線簡單,接線方便。箱體由冷軋鋼和其他金屬材料制成。
3、靈活配置:
用于單晶硅太陽能組件、多晶硅太陽能組件、薄膜太陽能組件。修改光伏熔斷器、斷路
器、負載隔離開關的額定電流。

GYPV/6-1型光伏直流匯流箱箱體技術參數:
| 電氣參數 | |
| 系統直流電壓 | 1000 |
| 每個串的輸入電流 | 15A |
| 輸入字符串 | 6 |
| 輸出開關電流 | 80A/90A |
| 逆變器MPPT數量 | 1 |
| 輸出字符串數 | 1 |
| 防雷 | |
| 試驗類別 | Ⅱ等級保護 |
| 標稱放電電流 | 20kA |
| 放電電流 | 40kA |
| 電壓保護等級 | 3.8kV |
| 連續工作電壓Uc | 1050V |
| 點 | 3P |
| 結構特點 | 插頭推動模塊 |
| 體系 | |
| 防護等級 | IP65 |
| 輸出開關 | 直流隔離開關(標準)/直流斷路器(可選) |
| MC4R防水連接器 | 標準 |
| 光伏直流保險絲 | 標準 |
| 光伏浪涌保護器 | 標準 |
| 監控模塊 | 可選擇的 |
| 防二管 | 可選擇的 |
| 箱體材料 | PVC |
| 安裝方法 | 壁掛式 |
| 工作溫度 | -25℃ ~+55℃ |
| 溫度升高 | 2km |
| 允許相對濕度 | 0-95%,無冷凝 |
| 機械參數 | |
| 長X寬X高 | 440x400 x180 |
GYPV/6-1型光伏直流匯流箱箱體產品原理:


上一個:GYPV/4-1型光伏匯流箱
下一個:GYPV/8-1型光伏直流匯流箱
優惠券
我們的微信
13957717877
13957796089