產品介紹
咨詢服務熱線:13957717877
產品概述
資料下載
相關產品
相關資訊


GOS30C系列旋轉編碼器產品特點: |
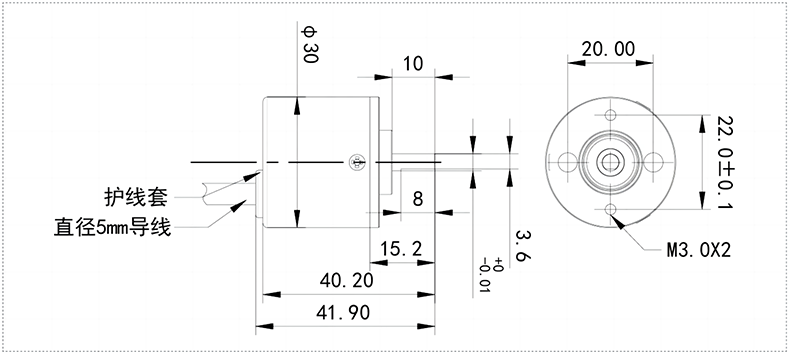
1、外徑φ30mm,軸徑φ4、φ5mm。 |
2、增強替代日本光洋OSS系列編碼器。 |
3、分辨率可選:4096以內任意脈沖數。 |
4、輸出方式:增加5V驅動差分輸出。 |
5、抗震動、灰塵等惡劣環境下使用。 |
GOS30C系列旋轉編碼器應用場合: |
鞋機、貼片機、自動化流水線、包裝機械等狹小空間安裝自動化、半自動化領域應用。 |

GOS30C系列旋轉編碼器型號及含義:

GOS30C系列旋轉編碼器機械圖(單位:mm):


GOS30C系列旋轉編碼器輸出相位差:

GOS30C系列旋轉編碼器接線表:

上一個:GLC3系列交流接觸器
下一個:GOS38B系列旋轉編碼器
優惠券
我們的微信
13957717877
13957796089