產品介紹
咨詢服務熱線:13957717877
產品概述
資料下載
相關產品
相關資訊


為何選擇GPS8-16型相位選擇開關? |
GPS8-16型相位選擇開關以精準監測、快速響應和靈活部署為核心優勢,為用戶構 建高效、穩定的用電環境。如需了解更多技術參數或定制化方案,請聯系我們的專業團 隊獲取支持。 |
通過智能化相位切換與多重電氣保護功能,GPS8-16型相位選擇開關提升了供 電系統的安全性和連續性,同時降低人工維護成本,是現代化電力管理場景中不可或缺 的優選設備。 |
GPS8-16型相位選擇開關產品特點: |
1、?高精度監測與保護? - 采用真有效值(True RMS)測量技術,精準監測電壓、電流數值,數據可靠 性。 - 支持過壓、欠壓及過流保護功能,用戶可自定義閾值參數(如設置過壓值為265V, 欠壓值為185V),適應不同工況需求。 |
2、?智能顯示與故障診斷? - 集成數字顯示屏,實時顯示各相位電壓、電流值,狀態一目了然。 - 通過多色LED指示燈快速反饋故障類型(如過壓紅燈閃爍、欠壓黃燈報警),便于 快速排查問題。 |
3、?便捷安裝與高效集成? - 采用標準DIN導軌安裝設計,適配主流配電柜結構,節省空間且部署靈活。 - 模塊化設計支持即插即用,可無縫集成至現有電力控制系統。 |
GPS8-16型相位選擇開關產品應用: |
GPS8-16型相位選擇開關廣泛應用于以下場景: |
1、?電網波動頻繁區域?:在電壓不穩定的三相供電系統中,自動切換至相位,避 免設備因電壓異常宕機。 |
2、?關鍵設備保護?:為精密儀器、醫療設備、數據中心等負載提供持續穩定的電源, 降低硬件損壞風險。 |
3、?工業自動化產線?:在制造業中保障生產線連續運行,減少因電力中斷導致的經濟 損失。 ? 通信基礎設施?:基站、機房設備在惡劣供電環境下的可靠運行。 |

GPS8-16型相位選擇開關型號說明: |

GPS8-16型相位選擇開關技術參數: |
| 型號 | GPS8-16 |
| 功能 | Phase selector swtich |
| 額定電源電壓 | AC220V(L1,L2,L3-N) |
| 額定電源頻率 | 45~65Hz |
| 工作電壓范圍 | 80V~400V(L1,L2,L3-N) |
| 額定工作電流 | 63A,80A(AC1) |
| 負擔 | AC max.3VA |
| 過電壓運行值 | OFF,230V~300V |
| 欠壓運行值 | 140V~210V,OFF |
| 過壓/欠壓動作延遲 | 0.1s~10s |
| 過電流運行值 | 1A~63A,80A |
| 過電流動作延遲 | 2s~600s |
| 加電延遲 | 2~600s |
| 重置時間 | 2~900s |
| 測量誤差 | ≤1% |
| 電氣壽命(AC1) | 1×10? |
| 機械壽命 | 1×10? |
| 工作溫度 | -20℃~+60℃ |
| 儲存溫度 | -35℃~+75℃ |
| 安裝/DIN導軌 | 導軌EN/IIEC60715 |
| 防護等級 | 前面板IP40/IP20端子 |
| 操作位置 | any |
| 過電壓類別 | Ⅲ. |
| 污染程度 | 2 |
| 尺寸 | 82×72×68mm |
| 重量 | 320g |

GPS8-16型相位選擇開關產品面板: |

![]() | 它可用于手動打開或關閉負載。 |
![]() | 按住設置鍵3秒進入設置。修改設置后,按住3秒保存設置。 |
![]() | 用于在設置參數時增加值。 |
![]() | 用于在設置參數時減小值。 |
| LED狀態 | LED:L1/L2/L3 ○ |
![]() | 未選擇此階段 |
![]() | 已選擇此階段 |
![]() | 電壓故障恢復延遲正在進行中 |
| LED狀態 | LED:FLTO |
![]() | 電壓正常 |
![]() | L1、L2、L3電壓均故障 |
![]() | 觸點斷開故障 |
GPS8-16型相位選擇開關產品尺寸: |


GPS8-16型相位選擇開關產品功能: |
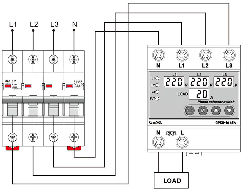
該產品的輸入為L1、L2、L3、N,輸出為L、N。該產品將自動選擇正常電壓的相位輸 出。當其中一相發生電壓故障時,它將自動切換到正常電壓的相。如果電壓的三相都 發生故障,故障指示燈將亮起。 |



Tp:上電延遲(2~600秒) Tr:復位延遲時間(2~900秒) Tu:過壓/欠壓故障動作時間(0.1~10s) Tc:過電流故障動作時間(2~600s) |
GPS8-16型相位選擇開關產品接線: |


上一個:GPS8-15型相位選擇開關
下一個:GRT6-P延時脈沖型時間繼電器
優惠券
我們的微信
13957717877
13957796089